
This product contains the following details| Product name | Input method | Design No. | Type | Range |
| 44 | C | 1 | A | * |
| 44:44 | C: DC | 1:1 | A: Ammeter | *:*A (V, Hz, W, var, COSφ) |
| 59:59 | L: AC | 2:2 | V: Voltmeter | See table of range parameters for details |
| 69:69 | 13:13 | W: Active power meter | ||
| VAR: Reactive power meter | ||||
| HZ: Frequency meter | ||||
| COS: Power factor meter |
| Input Method | Type |
| DC | Ammeter, Voltmeter |
| AC |
Ammeter, voltmeter, Active power meter, Reactive power meter, Frequency Meter, power factor meter |
Range Parameter Table
| Product type | Type | Range | Accuracy class |
| DC Ammeter |
69C13-A |
Directly connect to 50μA~500μA |
Class 1.5 Class 2.5 |
| Connect directly to 1mA~500mA | |||
| Connect directly to 1A~20A | |||
| Connect to 5A~10kA via external shunt | |||
| DC voltmeter |
69C13-V |
Connect directly to 3V~600V | |
| Connect to 750V~1.5kV via external resistant | |||
| AC Ammeter |
69L13-A |
Connect directly to 0.1A~50A | |
| Connect to 5A/5A~10kA/5A via 5A Secondary CT | |||
| AC voltmeter |
69L13-V |
Directly connect to 3V~600V | |
| Connect to 380V/100V~380kV/100V via 100V Secondary VT | |||
| Frequency Meter |
69L13-Hz |
45Hz~55Hz 55Hz~65Hz 45Hz~65Hz |
Class 1.0
|
| 100V 220V 380V | |||
|
Active power meter Reactive power meter |
69L13-W |
Connect directly to voltage100V 220V 380V | Class 2.5 |
| Connect to 380V/100V~380kV/100V via 100V Secondary VT | |||
|
69L13-var 44L1-var 59L1-var |
Connect directly to current5A | ||
| Connect to 5A/5A~10kA/5A via 5A Secondary CT | |||
| Three-phase power factor meter |
69L13- COSφ |
0.5 (lead) ~1~0.5 (lag) | |
| 100V/5A 220V/5A 380V/5A |
Note: For voltmeters and ammeters, Type 69 has an accuracy of Class 2.5, and Type 44 and Type 59 of Class 1.5.
Order Information:
The ordering code for Type 69 pointer panel meter (AC input, ammeter) is 69L13A*
n Display variation trend of measured object and easy to read.
n The cover is made of transparent organic glass.
n Bolt-fixed installation.
| International Standard | IEC 51-1~9 |
| National Standard | GB/T 7676.1~9 |
| Industrial Standard | JB/T 9281, JB/T 9282, JB/T 9284, JB/T 9286, JB/T 9287 |
| Withstand Voltage Test | Frequency: 50Hz, voltage: 2000V, lasting time: 1min |
| Resistance to mechanical shock | Max. speed: 147m/s2 |
| Responding time | ≤4S |
| Deflection angle of pointer | 90° |
n Type FL2 Fixed Constant-value Shunt is used for extending the range of DC meters, and has a rated voltage drop of 75mV.
n Install external power converter and DC ammeter to measure active power or reactive power.
n Install power factor converter and DC ammeter to measure power factor.
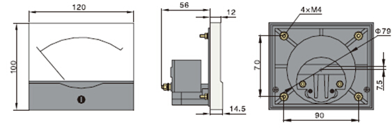
n Outline & Installation Dimensions of 44C2-A, V &44L1-A, V, W, var, COSΦ
n Outline & Installation Dimensions of 59C2-A, V &59L1-A, V, W, var, COSΦ
nOutline & Installation Dimensions of 59L1-Hz
nOutline & Installation Dimensions of 69C13-A, V &69L13-A, V, W, var, COSΦ
nOutline & Installation Dimensions of ?69L13-Hz
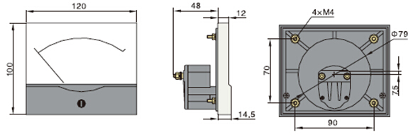
nOutline & Installation Dimensions of 69L13-W, var,44L13-W, var &59L1-W, var External Power converter
nOutline & Installation Dimensions of 69L13-COSΦ,44L13-COSΦ &59L1-COSΦExternal Power converter
Wiring Diagram


CHINESE




Print this page
Fav this page
E-mail us: yqyb@delixi.com